TZ096FA三軸四光吊艙

一、?產品簡介

TZ096FA三軸四光吊艙由非制冷紅外熱像儀、4800W廣角可見光相機、4800W光學變倍可見光相機、激光測距儀、三軸伺服穩定平臺和圖像處理組件(自主識別、跟蹤)組成。具有重量輕、穩定精度高、集成度高、自動目標識別、自動跟蹤等特點,可應用在小型無人機上,完成對目標區域的晝夜偵察、監視等任務。

該吊艙已經適配過國內多家主流飛控平臺,可實現與飛控的無縫對接;并可接入本單位ViewControlStudio顯控軟件平臺,協助總體單位快速完成無人機系統的開發。

光電吊艙通過非制冷紅外熱像儀和可見光相機實現全天時對地目標的探測、識別和跟蹤,并實時輸出紅外和可見光視頻供任務執行人員查看。

光電吊艙主要應用于偵查、邊防巡邏、人員搜救、森林防火等場景。

一、?產品圖片

TZ096FA三軸四光吊艙?

1 產品圖片

二、?產品功能

a)?具有典型目標自動識別、自動跟蹤功能;

b)?具備自檢和故障上報功能;

c)?具備可見光11倍混合變倍功能;

d)?具備長波非制冷紅外、可見光波段探測能力,能輸出紅外圖像和可見光圖像;

e)?具備激光測距功能;

f)?可見光具備光學變倍、自動對焦、手動調焦、透霧和低照度功能;

g)?紅外具備電子放大和偽彩切換功能;

h)?具備方位、俯仰和橫滾三自由度運動的能力;

i)?具備航向鎖定/手動搜索/隨動/姿態穩定/跟蹤等多種工作模式;

j)?具備隔離載體擾動,穩定視軸的能力;

k)?具備鎖定/解鎖目標功能,且鎖定目標后吊艙輸出圖像為帶有跟蹤框的圖像;

l)?具備目標跟蹤功能,具備抗自然干擾的能力;

m)?具備記憶跟蹤功能,目標在短暫丟失后,可短時間內再次捕獲;

n)?具備調節波門大小的功能;

o)?具備跟蹤點切換功能;

p)?具備根據激光測距、無人機位置和姿態信息解算目標坐標;

q)?可通過串口/百兆網(UDP)與控制站雙向通信,可輸出系統工作狀態、相機工作狀態、光軸位置等信息;

r)?具備百兆網視頻接口(RTSP協議);

s)?具備拍照和錄像功能

三、?掛載平臺

小型旋翼無人機等。

四、?主要技術參數

型號

TZ096FA

紅外熱像儀

探測器類型

非制冷焦平面探測器

工作波段

8μm~14μm

探測器分辨率

640×512

超分分辨率

1280×1024

像元尺寸

12μm

鏡頭焦距

19mm

視場角

22.8°×18.4°(±5%)

測溫模式

點測溫、區域測溫

測溫范圍

-20℃~+150℃/±2℃或±2%(高靈敏度)

0℃~+500℃/±3℃或±3%(低靈敏度)

超溫報警

具備

調色板

10種

數字變倍

8X

照片

1280×1024,JPG

視頻

1280×1024,MP4

噪聲等效溫差

NETD≤50mK

最小可分辨溫差

MRTD≤500mK

變焦可見光相機

傳感器尺寸

1/2″CMOS

有效像素

4800W

鏡頭焦距

15mm50mm

視場角

29°×23.5°~9°×7°

倍率

11X

照片

8000×6000,JPG

視頻

4k@30,1080p@60,MP4

廣角可見光相機

傳感器尺寸

1/2″CMOS

有效像素

4800W

鏡頭焦距

4.49mm

視場角

83.5°

照片

8000×6000,JPG

視頻

4k@30,1080p@60,MP4

激光測距機

波長

905nm

最大測距距離

≥1.2km(能見度≥5Km條件下,大目標(建筑物))

最小測距距離

5m

測距精度

1m

測距頻率

1Hz

伺服平臺

方位轉角

360°×n(360°連續旋轉)

俯仰轉角

-130°~+90°(向上為正)

橫滾轉角

-60°+60°

穩定精度

≤0.003°(1σ)

最大調轉速度

方位≥60°/s,俯仰≥60°/s

最大調轉加速度

方位≥50°/s2,俯仰≥50°/s2

圖像處理組件

自動識別

具備人、車目標自動識別目標數目≥32

目標跟蹤

目標大小≥16×16

跟蹤幀頻

≤50Hz

圖像輸出

RTSP/UDP/RTMP可選,碼率200kbps~6Mbps可設置

系統指標

額定工作電壓

12V

供電電壓范圍

10V~26VDC

功率

穩定功耗:≤20W(24VDC上電峰值電流≤5A)

重量

≤380g

體積

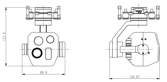
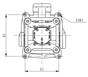
90mm×105mm×124mm

接口

控制接口

UART/百兆網(可選)

視頻接口

百兆網

存儲接口

≤512G存儲卡(Micro SD卡)

圖片格式

jpg格式

視頻格式

avi格式

環境適應性

工作溫度

-20℃~+55℃

存儲溫度

-40℃~+60℃

五、?機械尺寸及安裝接口

TZ096FA三軸四光吊艙?

TZ096FA三軸四光吊艙?


相關推薦

高頻響無衰減電感式傳感器集成電路
高頻響無衰減電感式傳感器集成電路
TR22S系列熱成像瞄具
TR22S系列熱成像瞄具
TR23S系列熱成像瞄具
TR23S系列熱成像瞄具